ПС 12.3-1ш

Чертеж изделия:
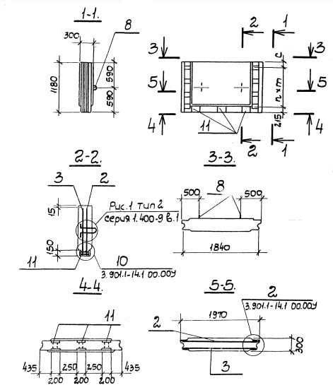
Чертеж ПС 12.3-1ш
Характеристики изделия:
ПараметрЗначение
Длина1970 мм
Ширина300 мм
Высота1180 мм
Масса1680 кг
Нормативный документСерия 3.901.1-14

ПС 12.3-1ш   Панель стеновая доборная по Серии 3.901.1-14.

Маркировка

ПС - панель стеновая (доборная по высоте);

12 - длина стеновой панели в дм;

3 - толщина стеновой панели в дм;

1 - тип армирования;

ш - вариант со шпоночным стыком.